
一、土壤電導率含鹽量傳感器技術指標
1.供電:DC12V
2.功耗:小于0.1W
3.工作溫度:-30~70℃
4.通信接口:RS485
5.工作電流:8mA DC12V
6.最短數據間隔:60S
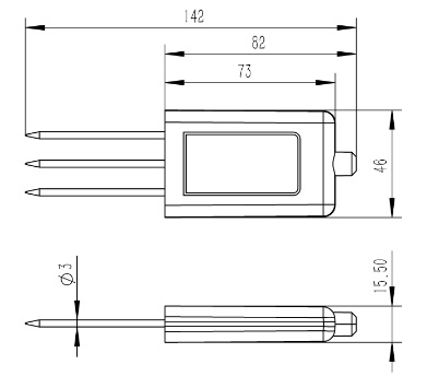
二、土壤電導率含鹽量傳感器產品尺寸圖
三、土壤電導率含鹽量傳感器使用注意事項
1.傳感器安裝應嚴格按照安裝使用說明書進行。
2.多個傳感器同時工作時,必須間隔5米以上距離。
3.傳感器測量原理限制,傳感器測量地為中心半徑5米范圍內不應有電磁線纜和強磁輻射干擾,
避免造成傳感器測量的巨大誤差和損壞。
4.傳感器的安裝環境應該符合傳感器的測量范圍,避免超量程等不規范行為。
5.傳感器安裝應避開強酸強堿、重油污重金屬環境進行。
6.傳感器為土壤測量傳感器,禁止將本傳感器對其他行為。
7.傳感器安裝環境不能有強振動。
8.傳感器不能有過強外力作用。
9.禁止拆卸,私自拆卸將不提供任何服務。
10.傳感器探針較為鋒利,使用時應按規定注意佩戴護具。
11.設備使用和維護應嚴格按照上述注意事項進行,如有違規使用的行為,本司不承擔相關負責。
四、土壤電導率含鹽量傳感器傳感器參數
| 參數 | 測量范圍 | 精度 | 分辨率 | 單位 |
| 土壤電導率 | 0~20000 | ±3%(15℃,0~10000us/cm)±5%(全量程) | 1 | us/cm |
| 土壤含鹽量 | 0~12800 | ±3% | 1 | mg/L |
文章地址:http://m.guangzhixin.com/zhny/5629.html




